VAWEX-Hungária Kft. Varratnélküli T-idomok, T acél
Termék tulajdonságai
- Külső átmérő: 21,3 - 141,3 mm
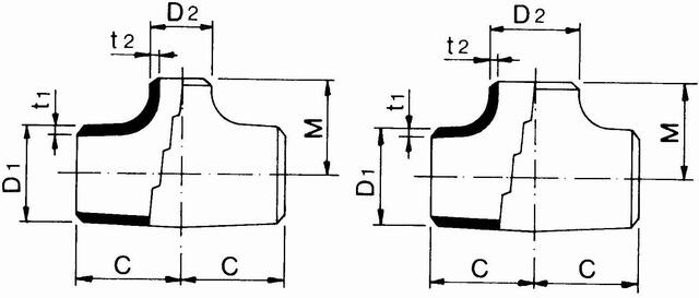
Termék leírása
Varratnélküli T-idomok az ANSI B16.9 szerint
VAWEX-Hungária Kft. további termékei
Ötvözött és ötvözetlen acélcsövek varratnélküli és hegesztett
Ötvözött és ötvözetlen acélcsövek varratnélküli és hegesztett
Ötvözött és ötvözetlen acélcsövek varratnélküli és hegesztett
Ötvözött és ötvözetlen acélcsövek varratnélküli és hegesztett
Ötvözött és ötvözetlen acélcsövek varratnélküli és hegesztett
Utolsó frissítés dátuma:
2026-04-19 00:45 *
A termék forgalmazója
-
válaszarány
-
válaszidő
5.0
Válaszarány:
A beérkezett ajánlatkérések hány százalékára válaszolt a cég.
Válaszidő:
Ez a szám azt mutatja, hogy átlagosan mennyi idő alatt válaszoltál az ajánlatkérésekre. Az átlagba csak a megválaszolt ajánlatkérések számítanak bele.
(A statisztikák az elmúlt 180 nap adatai alapján készülnek.)
Értékelés:
A cég kiadott ajánlatait, az ajánlatkérők így értékelték.
zöld jelzőlámpás cég
Ez a cég a bisnode által zöld minősítést kapott.
Árbevétel
821 812 000 (Ft)
Adózott eredmény
3 603 000 (Ft)
Jegyzett tőke
3 000 000 (Ft)
Adószám
12846658-2-20
Alapítás
2002
Cég státusza
Működő
Negatív esemény
Nincs
Telefonszám
+36-93...
Megnézem
További t acél találatok